1. Introducción.
En el año 1983, se realizaron estudios limnológicos preliminares en lagunas de altura de Cochabamba, iniciándose de esta manera, por primera vez, un estudio taxonómico cualitativo y cuantitativo de algas en esta zona. Se trabajó con vegetales microscópicos litorales denominados metaphyton según MARGALEF (1983) y tichoplancton o pseudoplancton de acuerdo con WETZEL (1975), coincidiendo los autores en el concepto general de metaphyton, como "la comunidad algológica litoral no adherida a un substrato, ni verdaderamente planctónica". El objetivo del presente estudio es determinar la composición del metaphyton en seis diferentes cuerpos de agua, estableciendo la densidad y la proporción relativa entre clases, asi como los índices de riqueza específica y de similitud para las distintas lagunas. Con este estudio, deseamos contribuir a incrementar el conocimiento sobre la taxonomía de la microflora nacional.
2. Area de estudio.
El área de estudio se encuentra en la zona de la cordillera andina, en el macizo de Tiraque, departamento de Cochabamba (fig. 1). El conjunto de lagunas consideradas forma parte de la vertiente sur de la Cordillera del Tunari. Según MORALES (1979), esta vertiente cuenta con unos meses muy secos y muy fríos (junio y julio), y otros cálidos, en los que se produce gran parte de las precipitaciones (enero y febrero), existiendo fluctuaciones muy bruscas de temperatura entre el día y la noche. De acuerdo con la zonificación hídrica de este mismo autor, el lugar de estudio corresponde a la zona deficitaria, con temperatura media anual de 12,8ºC, una precipitación media anual de 485 mm, exceso de agua cero y deficiencia de agua 825 mm. El viento preponderante es de norte a sur, no existiendo arbustos ni árboles en el área circundante a las lagunas, predominando plantas compuestas a ras de suelo y gramíneas (Stipa sp.). Estas características vegetales y la presencia de coleópteros descomponedores indican, según la clasificación de CEBALLOS (1970), que el área corresponde a un piso geográfico de puna. Se trabajó en 6 lagunas: Totora Khocha (T), Lluska Khocha (Ll), Muyu Loma (M), Koari (Ko), Kehuiña Khocha (Ke) y Pachac Khocha (P). El área donde se encuentran las lagunas está ubicada entre los 17º23'30'' y 17º27'30'' de latitud sud y los 65º35'30'' y 65º38'30'' de longitud oeste, y sus áreas y alturas se presentan en la tabla I.

Fuente: Proyecto de Riego Punata (GTZ), 1980.
Lagunas: T = Totora Khocha Ll= Lluska Khocha M = Muyu Loma Ko= Koari Ke= Kehuiña Khocha P = Pachac Khocha
Fig. 1: Area de estudio
Tabla 1: Alturas y áreas de las lagunas
| Laguna | Altura m s.n.m. | Area km2 |
|---|---|---|
| Totora Khocha | 3800 | 0,88 |
| Lluska Khocha | 3900 | 0,25 |
| Muyu Loma | 4000 | 0,06 |
| Koari | 4000 | 0,06 |
| Kehuiña Khocha | 4000 | 0,09 |
| Pachac Khocha | 4000 | 0,38 |
Fuente: Elaboración propia.
Las lagunas T y Ll presentan riberas de pendiente suave y gran desarrollo de macrófitas enraizadas sumergidas, en casi todo el fondo. Entre las macrófitas litorales se encuentran: Marsilea quadrifolia, Eleocharis sp., Elodea canadensis, Myriophyllum sp., (Observaciones y clasificación propia). Ambas lagunas presentan características que indican origen aluvial.
Las lagunas Koari, Kehuiña Khocha, Muyu Loma y Pachac Khocha presentan riberas de pendiente brusca, con algunas formaciones rocosas, siendo más profundas, lo que hace suponer su origen glacial. A diferencia de las dos lagunas anteriormente descritas, presentan fragmentos de Elodea canadensis y no se observa otro tipo de macrófitas (CADIMA, 1986). Debido a la importancia que tienen estas lagunas como reservas de agua para regadlo, se ha incrementado el volumen inicial del agua mediante la construcción de represas.
En la tabla 2, se indican los caracteres fisico-químicos (correspondientes a las mismas fechas de muestreo) de tres de las lagunas consideradas: Koari, Kehuiña Khocha y Lluska Khocha.
Tabla 2: Caracteres físico-químicos de tres lagunas
| Parámetro | Laguna | ||
|---|---|---|---|
| Ko | Ke | Ll | |
| Temperatura ºC | 11 | 8 | 15 |
| pH | 6 | 7 | 7 |
| Conductividad | |||
| electrolítica mhos/cm | 50 | 39,3 | 33,5 |
| Color | 1 | 2 | 3 |
| Bicarbonatos mg/l | 20 | 15 | 20 |
| Dureza total mg/l | 20 | 10 | 10 |
| Nitratos mg/l | 0,88 | 1,7 | 0,44 |
| Fosfatos mg/l | 0,12 | 0,14 | 0,08 |
| Sulfatos mg/l | 1 | 2,5 | 2,5 |
| Oxígeno disuelto mg/l | 6 | - | - |
| Anhídrido carb. mg/l | - | 4 | - |
3. Métodos.
Se tomaron muestras de las lagunas Ke, Ko y Ll durante el mes de septiembre de 1983, en noviembre de la laguna P y en diciembre de la laguna M. En las fechas de muestreo, las lagunas presentaban aguas muertas (nivel inicial de la cuenca). No se sacaron muestras de la laguna T, por encontrarse prácticamente seca, procediéndose a su muestreo en septiembre del año siguiente, 1984. Para este trabajo se siguió la metodología sugerida por SCHWOERBEL (1979), las muestras se tomaron en las orillas correspondientes a los cuatro puntos cardinales, cinco muestras por punto y se hicieron siete lecturas al microscopio por cada muestra. La determinación taxonómica se realizó siguiendo los criterios de BOURRELLY (1972, 1981, 1985),WHITFORD y SCHUMACHER (1969)yTHOMPSON (1976).
Para el análisis cualitativo y cuantitativo se empleó la técnica de la alícuota (APHA, 1963), precalibración de la gota de agua. La densidad, índices de riqueza especifica e índices de similitud, se obtuvieron a partir de las siguientes expresiones (ODUM, 1972):
donde: S es el número de especies y N = número total de individuos.
donde:
C = número de especies comunes en A y B;
A = número de especies en A;
B = número de especies en B.
4. Resultados y discusión.
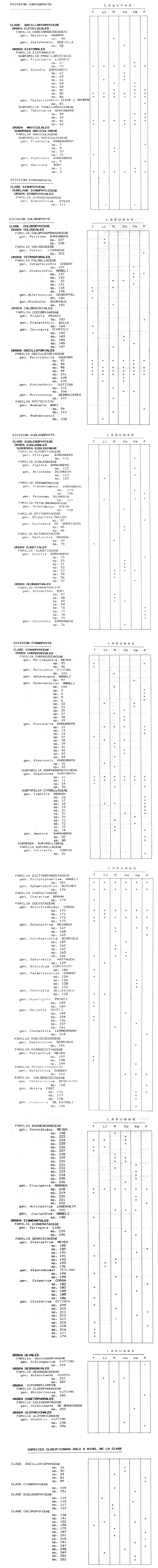
En la tabla 3 (apéndice) se indica la ubicación taxonómica de las especies, así como la distribución de todas ellas en las distintas lagunas.
Considerando cada laguna por separado, en la tabla 4 están representadas la densidad, el número de especies y el porcentaje relativo de cada una de las diferentes clases.
La laguna T fue la que presentó el mayor valor del índice de riqueza específica, mientras que L1 presentó el menor (tabla 4). Las restantes lagunas que presentan condiciones fisiográficas y origen semejante, ofrecieron valores también semejantes de Índices de riqueza especifica.
Comparando las lagunas entre si (tabla 6), L1 presentó el mayor índice de similitud con las restantes lagunas. No se consideraron los efectos comparativos con la laguna T, ya que las muestras se recogieron un año después y las posibles diferencias o similitudes podrían estar influidas por el efecto de distintas condiciones ambientales.
De acuerdo con las características fisiográficas y de origen, las lagunas T y L1 son muy similares; sin embargo, existe una gran diferencia en los valores de diversidad específica para ambas. Creemos que ello es debido a las diferentes condiciones ambientales que se dieron en los períodos de muestreo. En el año 1983, cuando se tomaron muestras de la laguna Ll, el régimen de lluvias fue escaso y la laguna T permaneció prácticamente seca; en cambio, en el año 1984 las lluvias fueron más abundantes, lo que produjo una elevación del nivel del agua en ambas lagunas. La laguna Ll, en la que se encontró el valor más bajo de riqueza específica fue, sin embargo, la que presentó mayor número de especies comunes con las restantes. Ello se debe a que en la laguna se encontró un gran número de especies cosmopolitas, que también están representadas en las restantes. Cabe destacar que las lagunas Ko y Ke, que están intercomunicadas por un canal, deberían presentar valores altos de índice de similitud; sin embargo, no es así. Comparando los caracteres físico-químicos de ambas lagunas, vemos que existen grandes diferencias. Esta circunstancia influye decisivamente en las características de la población vegetal estudiada. Hay que destacar, por último, que este estudio es preliminar y básicamente descriptivo, y que en el momento de su realización no dispusimos de equipo suficiente para determinar los caracteres físico-químicos en todas las lagunas, por lo que solamente se determinaron estos parámetros en tres de ellas, que eran las de mayor interés, debido a su distinto origen y características fisiográficas.
En el apéndice se presentan dibujos de las 152 especies encontradas.











uBio 






